介紹 1.簡要說明 塑料光纖連接到(懸臂梁)上以監測其偏轉。使用光敏電阻器(LDR)和基本分壓器電路監測光纖光強度的變化。LDR的輸出由ADC-16連續測量,這個簡單的系統能夠通過PC提供實時光束偏轉監測。 2.實驗嘗試 內容實驗強調了光纖作為傳感器的潛在用途,可以實時監測結構的偏轉。學生還將獲得基于簡單設備(如光敏電阻(LDR),讀取電阻值,分壓器原理和歐姆定律)構建基本電路的實踐經驗。 3.需要先驗知識 學生需要了解光纖如何通過其核心傳輸光線以及全內反射(TIR)原理和過度彎曲對這些光導介質中光傳輸的影響。其次,學生應該了解光敏電阻的功能,分壓器的原理和歐姆定律。 4.目標群體 該實驗適用于參加高級物理學的學生,并簡單介紹光學,電子和光電器件的實際應用。


所需設備
數據記錄設備 光敏電阻(LDR) 發光二極管(LED) 1千歐電阻 烙鐵 電壓/信號放大器(可選) 2 x 1.5 V電池(用于供電LED)和2 x 9 V電池(用于分壓電路) 光纖連接器(SMA多模連接器) 光纖傳感器 柔性梁(例如塑料尺) 快速固化膠 安全警告: 盡管使用大多數低功率LED通常是安全的,但出于安全考慮,請勿在照明時直視LED。烙鐵只能在監督下使用。


實驗設置
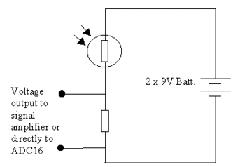
圖1顯示了實驗的實驗設置。

圖1:實驗設置 圖1a:分壓電路(圖1中的基本電路內)

三點彎曲和拉伸試驗的實驗安排如圖4所示。標準電壓源用于為發光二極管供電。探測器和數據采集系統由一個光敏電阻(LDR)和一個低電阻組成。 - Pico Technology的成本商業數據采集系統,可在光強變化時自動記錄LDR上的電壓變化。數據采集??系統提供高達16位分辨率的模數轉換(ADC),最多8個輸入通道。ADC系統的分辨率允許檢測電信號中小至40 mV的電壓變化。對于實驗而言,每秒2個數據樣本的采樣率就足夠了。 帶有粘合光纖傳感器的光束示意圖如圖2所示。詳細信息將在下一節給出。

圖2:帶有粘合光纖傳感器的梁試樣示意圖

當實驗正確設置時,梁應繞其中心彎曲,并在支撐中心施加載荷,如圖3所示,其中W是施加的載荷,dctr是中心偏轉。

圖3:正確設置光束

進行實驗 1.使用強力膠或其他可用的粘合劑將光纖傳感器連接到梁(例如塑料尺)并等待其干燥。確保粘接牢固,并且當梁試樣彎曲時傳感器不會脫粘。 2.將光纖連接器連接到光纖的兩端,并將它們分別連接到LED和LDR。確保它們緊密耦合,以最大限度地減少由于耦合損失和環境噪聲引起的電壓信號的任何不必要的變化。 3.小心地將光束放在支架上。梁也可以固定在一端并且在懸臂梁設置中釋放另一端,作為所示支撐系統的替代支撐系統。 4.檢查PicoLog是否有電壓輸出讀數,以確保設置正確并準備好開始光束偏轉測試。 5.在PicoLog中調整圖形的Y軸刻度以獲得最佳顯示。如果您有信號放大器,您還可以調整發送到ADC的電壓電平。 6.緩慢地對光束施加小的偏轉,觀察PicoLog顯示的電壓電平的變化。當施加偏轉時,信號是增加還是減少?根據光纖的靈敏度,使用所示設置,對于10 mm的偏差,可以預期電壓變化至少為100 mV。 7.現在釋放偏轉并觀察PicoLog指示的電壓電平變化。信號會發生什么變化?信號是否返回初始信號值? 8.現在嘗試不同的偏轉量并觀察電壓信號的變化。你觀察到了什么?


問題 1.你能解釋一下當光纖傳感器的光強變化時,電路如何工作以提供比例信號輸出? 2.如果光束向前偏轉而不是像以前那樣向下偏轉,您認為電壓信號會發生什么?

查看結果