介紹 輕彈電路中的開關,產生的效果(例如燈亮)似乎是瞬間的。電子在電路中緩慢漂移,但電磁波以不可想象的高速穿過電路。 使用基于PC的示波器進行的簡單演示可清晰地顯示脈沖在同軸電纜中行進200米所需的時間。它還提供信號衰減的圖形證據。


所需設備 ?安裝了PicoScope的PC ?基于PC200的ADC200 / 50示波器 ?200 kHz脈沖發生器(見下文) ?200米的同軸電纜


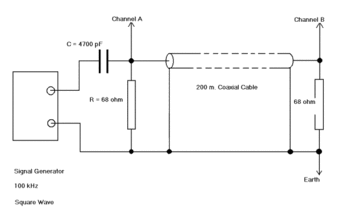
實驗設置 鑒于“A”級教學大綱中脈沖發生器的應用數量有限以及對信號發生器的相對大的要求,信號發生器產生合適的脈沖,通過RC脈沖整形網絡提供100kHz方波。(脈沖整形中包含注釋 - 見下文) 使用了基于PC-200/50的基于PC的示波器(和PicoScope軟件),其時基設置為每格2μs。 同軸電纜是從RS組件購買的(很久以前)。如果保持在鼓上,它會更容易使用!


進行實驗 68歐姆電阻等于電纜的特征阻抗并防止反射。 電容器與電阻器結合在一起,將方波形成尖銳脈沖(參見脈沖整形注釋)。 同軸電纜的外護套的兩端連接到地。 信號發生器的幅度約為1伏。 示波器上的通道A然后在它們進入同軸電纜之前顯示脈沖,通道B顯示相應的脈沖,它們在電纜中行進200米后到達時滿足1μs,相當于2 x 10 ^ 8 m·s的速度-1


結果 ?RC網絡“區分”100 kHz方波(參見附注) ?正峰代表方波的前沿 ?周期(從示波器讀取)為10μs(即100 kHz頻率) ?藍色軌跡是同軸電纜啟動時的脈沖 ?在200米的電纜傳輸之后檢測到紅色跡線 ?紅色和藍色之間的時間延遲為1μs ?200毫秒,1毫秒= 2×10 ^ 8米·秒-1。 ?兩個通道的Y增益為500 mV,因此紅色脈沖的衰減很好地顯示了另一個很好的討論點。


將100 kHz方波轉換為脈沖(PicoScope視圖) ?在信號發生器處產生100kHz方波(藍色跡線/通道A)。 ?脈沖由68歐姆電阻和電容C產生。 ?C的合適值是4700pF,使用替換盒。 ?RC網絡有效地區分了方波,這是數學傾向的學生(和教師)的一個很好的討論點。