介紹 本實驗使用ADC-100示波器測量相機的快門速度。通過相機照射光,然后由光電二極管檢測由快門阻擋的光量。


所需設備 火炬 相機 ADC-100 電池 2MΩ電阻 光電二極管西門子SFH2030或同等產品


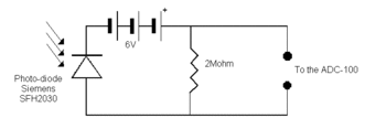
進行實驗 在我們進行任何測量之前,必須建立圖1中的電路。當快門打開時,光電二極管具有最小電阻,這為ADC-100提供了6 V的輸出。落在光電二極管上的光足以確保2MΩ電阻上的電壓降為6 V,這一點非常重要。

從圖2中可以看出,我們在電路板的一端安裝了一個光源(火炬)。另一方面,我們將光傳感器安裝在旋轉桿上,使鉆機可以根據不同的攝像機尺寸進行更換。光傳感器由一個35毫米的薄膜罐組成,光電二極管粘在一個孔中,一個元件盒內部裝有光傳感器電路。圖2還顯示了兩個掩模,一個用于35毫米相機,另一個用于2.25英寸。

對于短曝光,快門在曝光開始時完全打開并在曝光結束時完全關閉的時間成為總曝光時間的重要比例。在這種情況下,曝光測量采用圖5的形狀。有效曝光由上升沿的中點和下降沿的中點之間的間隔給出。這是快門必須完全打開以通過相同光量的時間。有效打開時間的比率是快門效率的量度。百葉窗在全光圈下應具有至少60%的效率。 對于長度大于1/125的曝光,光圈快門的有效曝光時間公差為±20%,對于小于1/125的曝光時間,公差為±30%。對于長于1/250的曝光時間,焦平面快門應精確到±25%,對于短于1/250的曝光時間,精確到±33%。在實踐中,快門速度的絕對精度與其一致性并不重要。如果快門一直很慢,可以考慮這個,但如果快門速度從一次曝光到下一次曝光變化,則不允許。 快門速度測試還可以檢測快門反彈,完成曝光后快門再次輕微打開。

查看結果