介紹 在理想情況下在實驗室條件下測量風力渦輪機性能的傳統方法總是趨于樂觀,并且很少反映渦輪機在實際情況下的實際行為。實際性能將受到當地風力條件,附近障礙物,電力需求情況和一系列其他因素的影響。由于磨損,隨著時間的推移性能也會下降。重要的是渦輪機如何反應并實際在現場提供動力。沒有適當的數據,這可能是非常主觀的,也是個人意見的問題。 本應用指南重點介紹特定Proven WT2500風力發電機的實時功率,轉子速度和風速數據,該風力發電機已連續運行6年。從這些測量中獲得的信息可以幫助確定是否需要維護。對數據的進一步解釋可以幫助優化風力渦輪機,并且可以評估它是否位于正確的位置。


背景

在福克蘭群島,大約有100個遠程家庭和農場無法使用電網。1996年,福克蘭群島發展公司啟動了可再生能源計劃,現在有60多個運行中的電力系統使用經過驗證的風力渦輪機 Proven系列最初的選擇是因為其堅固的結構和能夠承受持續的高速風,??颂m群島的年平均風速超過8.5米/秒。以相對高的轉速運行的小型商用風力渦輪機通常具有短的壽命,并且那些不會完全失效的風力渦輪機遭受快速的前緣葉片侵蝕,因此需要定期的葉片修理或更換。Proven相對較低的運行速度被認為是提高其長期成功機會的一個因素。這已得到證實,因為一些經過驗證的風力渦輪機已經運行了10年。 轉子細節 經驗證的風力渦輪機是順風水平軸類型。轉子由三個聚丙烯葉片構成,每個葉片在葉片根部具有兩個彈簧加載的鉸鏈。該組件被稱為Zebedee鉸鏈并且包括內鉸鏈(成角度為90度)和外鉸鏈(成45度角)。兩個鉸鏈一起工作以有效地扭轉葉片作為自動無源葉片俯仰和動力控制系統。該系統通常設置為低迎角,以便在低風速下輕松啟動。隨著渦輪加速,離心力導致鉸鏈打開。這使刀片變平,增加了對相對氣流的攻角。離心力和節距都隨轉子速度增加。在狂風中,葉片上的風力克服了彈簧張力和轉子盤錐體,兩者都使葉片失速并減小了有效的轉子盤面積并因此減小了動力輸出。軸扭矩的增加將使葉片抵抗離心力的作用,離心力將傾向于關閉鉸鏈,從而減小迎角。 彈簧張力在出廠時設定為在額定12 m / s風速及以上的最大運行速度300 rpm(5轉/秒)下運行。彈簧安裝件的磨損和彈簧在使用中失去彈性會導致失速和錐形在較低的風速下開始,從而降低渦輪機的最大功率輸出。 發電機細節 久經考驗的風力渦輪機是一種變速三相永磁交流發電機,由在24個定子線圈內旋轉的四極對組成。每個線圈名義上產生30伏特,并且每相8個線圈在制造期間以串聯和并聯組合布置,以產生產生24,48,120或240伏特的風力渦輪機。中性線不能作為生產機器上的共同點。使用四極對發電機的額定轉速為300 rpm,產生20 Hz的線路頻率。


網站詳情 對于Port Louis農場的風力渦輪機,車主懷疑渦輪機性能不佳并提供用于這些試驗。路易港是馬島的歷史部分和最后一個人從事任何科學工作在這里可能是查爾斯·達爾文在19 個世紀。 小型風力渦輪機的合適位置的選擇通常受到將渦輪機功率輸出傳送到充電控制器和電池所需的重型電力電纜的成本的限制。大多數渦輪機都位于發電廠100米范圍內,包括電池組,柴油發電機,逆變器和風力發電機充電控制面板。渦輪機選址始終是一種妥協,可能導致不太理想的風。為了減少電力電纜中的直流功率損耗,福克蘭群島的大多數渦輪機工作電壓為48 V(50-60 A),但少數工作電壓為24 V(100-120 A)。 路易斯WT2500風力渦輪機設計為在12米/秒的風速下在48伏特下產生2.5千瓦的功率,距離發電站110米,在建筑物西北部略微上升的土地上。它的位置使其與普遍的西風相對不受阻擋。然而,在標準的6.5米桅桿上相對低于地面時,渦輪機比安裝得更高時更容易受到振動和湍流的影響。


戰略與設計 為了獲得足夠的數據以獲得有意義的結果,必須實時記錄三個細節: 1.渦輪機的輸出功率。(瓦) 2.渦輪轉速(轉/秒) 3.風速(m / s) 分析需要儀器來測量4個參數: 1.系統電壓 2.系統電流 3.渦輪轉速 4.風速 界面和軟件 基于ADC-16 8通道模數轉換器設計了一種實時同時測量和記錄該信息的方法。ADC-16可以測量-2.5至+2.5伏直流的直流信號。PicoLog軟件允許在程序內進行縮放,以便校正,校準和轉換因子可以自動應用于收集的記錄,從而最大限度地減少電子表格處理。大多數數據處理都是使用Microsoft Excel執行的。 附加電路 信號處理需要額外的電路,以便可以對渦輪轉子速度和風速進行測量。新的信號處理電路旨在最大化ADC-16接口的工作范圍,以提高精度和精度。 渦輪轉速和風速測量均被感測為低頻AC波形。使用四極永磁交流發電機,經過驗證的渦輪機最大轉速為300 rpm,交流頻率為20 Hz。同樣,風速計的輸出頻率為20 m / s,為25.7 Hz。為了將輸入的AC信號轉換為可由ADC-16記錄的DC電壓,基于LM 2917集成電路(IC)構建了兩個類似的頻率到電壓轉換器。使用制造商的數據表計算元件值,得到0-25 Hz的工作范圍,將其轉換為0-2.5伏的輸出,以匹配ADC-16的輸入范圍。

連接測試設備 測試設備連接到Proven控制面板,如下圖1所示。

圖1:連接傳感器

通道1 - 系統電壓 構造一個分壓器,將48伏直流線從Proven控制面板下降到可測量的電壓。 通道2 - 系統電流 這是使用現有的Proven電流分流器測量的,該電流分流器設計為在60安培的電流下提供50 mV的電壓。

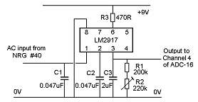
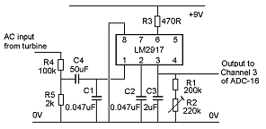
圖2:頻率到電壓轉換器- 轉子速度測量 圖3:頻率到電壓轉換器- 風速測量

通道3 - 渦輪轉速 這是從風力渦輪機整流器的三相輸入的一相導出的。在Proven控制面板內與風力渦輪機的AC線路的一相進行物理連接。設計了一個分壓器,將峰值交流電壓降低到1.5到2伏特左右。由于這是頻率測量,因此電壓并不重要。圖2顯示了用于為ADC-16創建電壓的頻率到電壓轉換器。 第4頻道 - 風速 使用的傳感器是NRG#40風速計頭,一個行業標準單元。將其安裝在垂直于風軸線的風力渦輪機旁邊約5米的輪轂高度處。NRG#40使用小型永磁發電機產生交流信號,其頻率與風速成正比。使用頻率到電壓轉換器將風速計AC輸出轉換為電壓(圖3)。


測量條件 理想情況下,測試應該應用于驅動恒定阻抗負載的風力渦輪機。然而,這不是一個選擇,因為電力系統全面運行,為農場建筑和住宅提供真正的負荷。在測試期間,柴油發電機正在運行供電并為電池充電。這有助于穩定48伏直流電壓總線,并最大限度地減少瞬態負載沖擊,如果僅使用電池和風,則會改變負載阻抗并影響讀數。在測試過程中,Proven轉儲負載控制系統已停用。 主要測量值均在一天內風速從13米/秒穩步下降至6米/秒時進行。PicoLog軟件在記錄間隔中允許一定的寬容度,但通常每秒讀取所有四個參數并以500秒的塊記錄。當風速計固定在輕便的便攜式伸縮式桅桿上時,如果風改變,可以改變風速計的位置以保持相對位置。


數據處理 主要數據被分箱并在5秒到1分鐘的不同時間塊上取平均值。這是為了由于其自身與風速計之間的慣性差異??而允許渦輪機響應的延遲。檢查后,選擇使用30秒塊的數據集作為進一步處理的最佳選擇。

圖4:整個測試概述

在圖5中繪制了功率與風的關系圖,并且將經驗證的WT2500公布的功率曲線重疊以進行比較。這顯示了數據在30秒塊中被平均和分箱后整個運行的功率與風速的關系。

圖5:記錄的功率和風速

圖6比較了相同持續時間的風速和轉子速度。兩幅圖都清楚地表明,在風速超過10米/秒的情況下存在嚴重的過度調節,這使風力渦輪機無法達到其最大功率潛力,并且永遠不會達到5轉/秒(300轉/分鐘)的額定速度。

圖6:轉子速度和風速

超過10米/秒,功率調節導致葉片錐形,記錄的早期數據不穩定,使用這些數字會扭曲進一步的數據處理。截止點設定為3500秒,在此點之前的讀數不用于詳細計算。由于白天風速不低于6米/秒,調節速度為10米/秒,最終結果是基于3.1至4.4轉/秒的窄轉子轉速。 評估風力渦輪機性能的通用標準是功率系數與尖端速度比性能曲線的關系圖。該曲線告訴您渦輪機如何有效地將風能轉換為電能。使用各種方法繪制該曲線。結果顯示在下面的圖7中。

圖7:功率系數與尖端速度比

實地觀察 經過驗證的WT 2500風力渦輪機經過精心設計,能夠承受相對較短的桅桿上的湍流區域中的惡劣條件,該桅桿比其他設計更接近地面。結果,它會遇到陣風和風向的快速但微小的變化,導致它在其偏航軸周圍顯著地連續加速,減速和振蕩。它很少以穩定的速度直接指向風。 在測試期間,注意到風速計對風的變化反應非常快并且與方向無關。另一方面,風力渦輪機的更大慣性將導致旋轉和偏航的響應延遲。被動葉片控制機構本質上也會略微落后于風的變化。由于Zebedee鉸鏈的作用,旋轉速度和偏航方向引起的葉片角度的姿態意味著風力渦輪機很少在實際操作條件下瞬間匹配理論最大發電值。這與風洞測試形成鮮明對比,其中偏航和剪切風不是問題,并且渦輪機有時間在負載或風速的變化之間穩定下來以呈現反映其最佳性能的穩定讀數集。 高風運行 人們認為風力渦輪機在測試之前表現不佳,這些測試證明這是正確的。超過10米/秒的風速產生了渦輪機的不穩定功率輸出,遠低于額定值。


結論 如圖7所示,3.5至4.0轉/秒的速度范圍在較高的尖端速度比下產生比其他速度帶更高的功率系數。請記住,這些測試是在低于標準的風力渦輪機上進行的,結果似乎表明它在3.5到4.0轉/秒的中速范圍內更有效地運行。